詳細說明
水質凈化設備的功能很強大,現在到處都是廠,很多污水沒有經過處理直接排出,造成江流,地表都被污染,嚴重威脅到人們的生活用水安全。
游泳池水處理設備采用精選材料,一次性模具注塑成型。有防腐蝕,防刮花,防滲漏以及防撕裂等功能,精度高達5微米。
泳池水處理設備臭氧混合罐
游泳池工程技術具有自身的特點,它需用游泳池專門的技術、專用的設備。
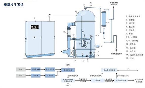
臭氧反應罐,臭氧混合塔,臭氧混合器,臭氧氧化塔,
我公司專業生產臭氧混合塔,臭氧反應罐,臭氧接觸混合塔,臭氧混合塔又稱氧化塔,臭氧殺菌器是水處理系統中常用的殺菌設備,殺菌的效果不但和水中細菌種類以及數量和臭氧的含量有關,而且和臭氧與水的接觸時間與臭氧布氣布氣頭有關,一般來說,臭氧和水接觸的時間越長,混合越充分,臭氧殺菌的效果好,布氣板氣孔越小,臭氧被切割成氣泡越小,臭氧與水接觸的面積就越大,那么混合的效果就更好,殺菌的效果也就更好。
目前為止幾乎為完美的混合方案,在國際上為可口可樂,康師傅等大型飲料企業廣泛采用。在臭氧設備不變的情況下,使混合效率得到大幅度的提高。
為了讓臭氧和水有充分混合面積和混合時間,這要求我們要有足夠的混合空間,一般我們臭氧的混合時間在5-10分鐘時間,那么我們就要根據混合時間和流量來設計臭氧混合塔的空間,當臭氧混合塔的空間確定之后,一般為了使臭氧和水成分的對流混合,水上進而臭氧是下進,我們設計進水口和進臭氧的距離在3500mm以上,這樣臭氧和水有充分的混合時間和空間,達到最佳殺菌效果。
我公司設計臭氧混合塔一般有304材質和316L材質2中不銹鋼材質,布氣板選用鈦棒布氣,鈦棒布氣布氣孔在20um孔徑,臭氧能被充分的切割成小氣泡,提高了臭氧殺菌器的殺菌器效果。
上一條:泳池水處理設備過濾砂缸 下一條:地下水處理設備





